PLC系統的基本構成
發布時間:2021-04-20 15:09:14 來源:admin
PLC系統的基本構成
2. 中央控制處理單元(CPU)
可編程控制器中常用的CPU主要采用通用微處理器、單片機和雙極型位片式微處理器三種類型。通用微處理器有8080、8086、80286、80386等;單片機有8031、8096等;位片式微處理器的AM2900、AM2903等。FX2可編程控制器使用的微處理器是16位的8096單片機。
3. 存儲器
可編程控制器配有兩種存儲器:系統存儲器和用戶存儲器。
系統存儲器:存放系統管理程序。
用戶存儲器:存放用戶編制的控制程序。
4. 輸入接口電路
PLC通過輸入單元可實現將不同輸入電路的電平進行轉換,轉換成PLC所需的標準電平供PLC進行處理。
接到PLC輸入接口的輸入器件是:各種開關、按鈕、傳感器等。各種PLC的輸入電路大都相同,PLC輸入電路中有光耦合器隔離,并設有RC濾波器,用以消除輸入觸點的抖動和外部噪聲干擾。PLC輸入電路通常有三種類型:直流(12∽24)V輸入、交流(100∽120)V輸入與交流(200∽240)V輸入和交直流(12∽24)V輸入
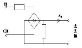
圖2 直流輸入模塊

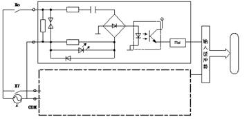
圖3 交、直流輸入模塊

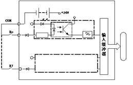
圖4 交流輸入模塊
5. 輸出接口電路
PLC的輸出有三種形式,即繼電器輸出、晶體管輸出、晶閘管輸出。如圖所示:

圖5 場效應晶體管輸出方式(直流輸出)
圖6 可控硅輸出方式(交流輸出)

圖7 繼電器輸出方式(交直流輸出)
輸出端子有兩種接法:
一種是輸出各自獨立,無公共點:各輸出端子各自形成獨立回路。
一種為每4∽8個輸出點構成一組,共有一個公共點:在輸出共用一個公共端子時,必須用同一電壓類型和同一電壓等級,但不同的公共點組可使用不同電壓類型和等級的負載,且各輸出公共點之間是相互隔離的。
輸入輸出端子處理的過程如下:
6. 電源
PLC的供電電源一般是市電,也有用直流24V電源供電的。
7. 編程器
利用編程器可將用戶程序輸入PLC的存儲器,還可以用編程器檢查程序、修改程序;利用編程器還可以監視PLC的工作狀態。編程器一般分簡易型 和智能型。
8. PLC的軟件結構
在可編程控制器中,PLC的軟件分為兩大部分:
1. 系統監控程序:用于控制可編程控制器本身的運行。主要由管理程序、用戶指令解釋程序和標準程序模塊,系統調用。
2. 用戶程序:它是由可編程控制器的使用者編制的,用于控制被控裝置的運行。


渝公網安備 50011202502457號